音箱分频器电路图(主动分频与被动分频的区别)

音箱分频器电路图(主动分频与被动分频的区别) 主动分频就是指音乐信号由播放器出来后就被分为高、中、低频,然后分别被放大,并由高、中、低频喇叭发出声音。被动分频是指音乐信号从播放器出...

音箱分频器电路图(主动分频与被动分频的区别)

主动分频就是指音乐信号由播放器出来后就被分为高、中、低频,然后分别被放大,并由高、中、低频喇叭发出声音。
被动分频是指音乐信号从播放器出来后先放大,然后送往音箱。音箱内有分频器把音乐信号分为高中低频再送给三个喇叭发声。
主动分频,又称为电子分频、有源分频。被动分频又称为LC分频、无源分频。

主动分频,系统更复杂,系统单元性能要求高,价格更高,当然效果也更好些。主动分频音响系统肯定是三分频系统。
被动分频,是普遍使用的分频方式,高质量的被动分频音响系统也可达到比较高的水准。被动分频有二分频和三分频二类。听人声、弦乐为主的,多采用二分频。以打击乐、摇滚乐、爵士乐的及追求影院效果的,多采用三分频。
主动三分频跟被动音响系统,两者之间的区别在于:主动分频在功放的输入端进行分频处理,负载是功放的输入端,阻抗高而稳定,不容易产生频点漂移的情况,分频处理好的信号被功放放大直接驱动喇叭中间少了不少非线性失真的元件,失真减少了,少了中间的介入损耗功率传输比提高了。同样没有了介入损耗喇叭的瞬态变好了,音响系统的分析力有所提高,细节展现的更为清晰,而且对于汽车环境的变化都可以根据喇叭摆放位置调整分频点使频率衔接更为顺畅,层次感等都会交代的清楚明了。

音响的主动分音又叫主动分频,是主机的音频信号在经功放电路放大前在主机中央处理器里进行分频.原理是音频信号到主机中央处理器(CPU),在主机中央处理器里音频信号按照频响范围分为高、中、低频信号,再把分好的信号各自输入到功放单独放大,功放只起到一个放大信号的作用,省去了分频器,减小传输过程中的损耗。其分频方式是数字式的。直接通过数字信号进行分频(电子分频器)要比模拟信号分频损失小得多,更能够再现好的音质。

总的来说:被动的音响系统简单点,性价比更高。主动的音响系统:音质效果更好,调校更多,声场定位更准,细节更加丰富;不管大音量小音量情况下,层次都一样清晰!但缺点是造价高,对厂家的技术要求更高。

拓展阅读:

高保真降噪前级和电子分频功放电路

下面是专为音响生产的三种集 成块所制作的一款H-Fi前级 和电子分频功放。

一、Hi-Fi前级

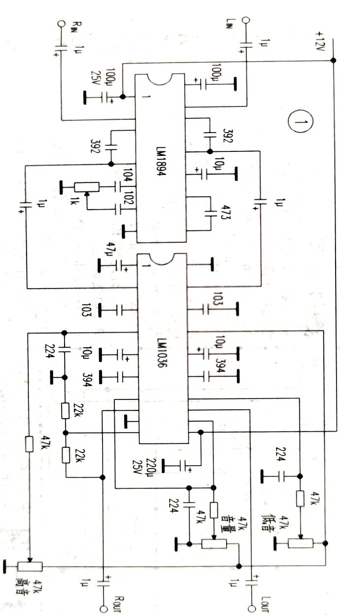
见图1,

高保真降噪前级和电子分频功放电路

由LM1894动态降噪器和LM1036直流音 调音量控制器构成。

LM1894是一块非互补动态降噪集成块,能对一般音频信号如CD唱片、调频广播作降噪处理,降噪量为 10dB,效果明显。

动态降噪的调试:选用一音源放音,把后面音调控制器中高音提升最大,低音衰减最小,并且将音量开足,调节LM1894⑥、⑤脚间1k欧可调电阻,使扬声器中的噪声处于即将增大,这项调整需反复多次。

动态降噪器工作时应放在音调、音量控制之前。

LM1036音调音量控制器:

采用直流电压控制,电位器不在信号通道中,因而电位器的连接不需屏蔽,采用单联电位器即可实现双声道调节,无滑动噪声,是制作高质量音调控制器的优选电路。

本前级指标如下:工作电压为9-18V(常用12V或15V),信 噪比90dB,音调控制范围±15dB,音量控制 范围80dB。

二、电子分频功放

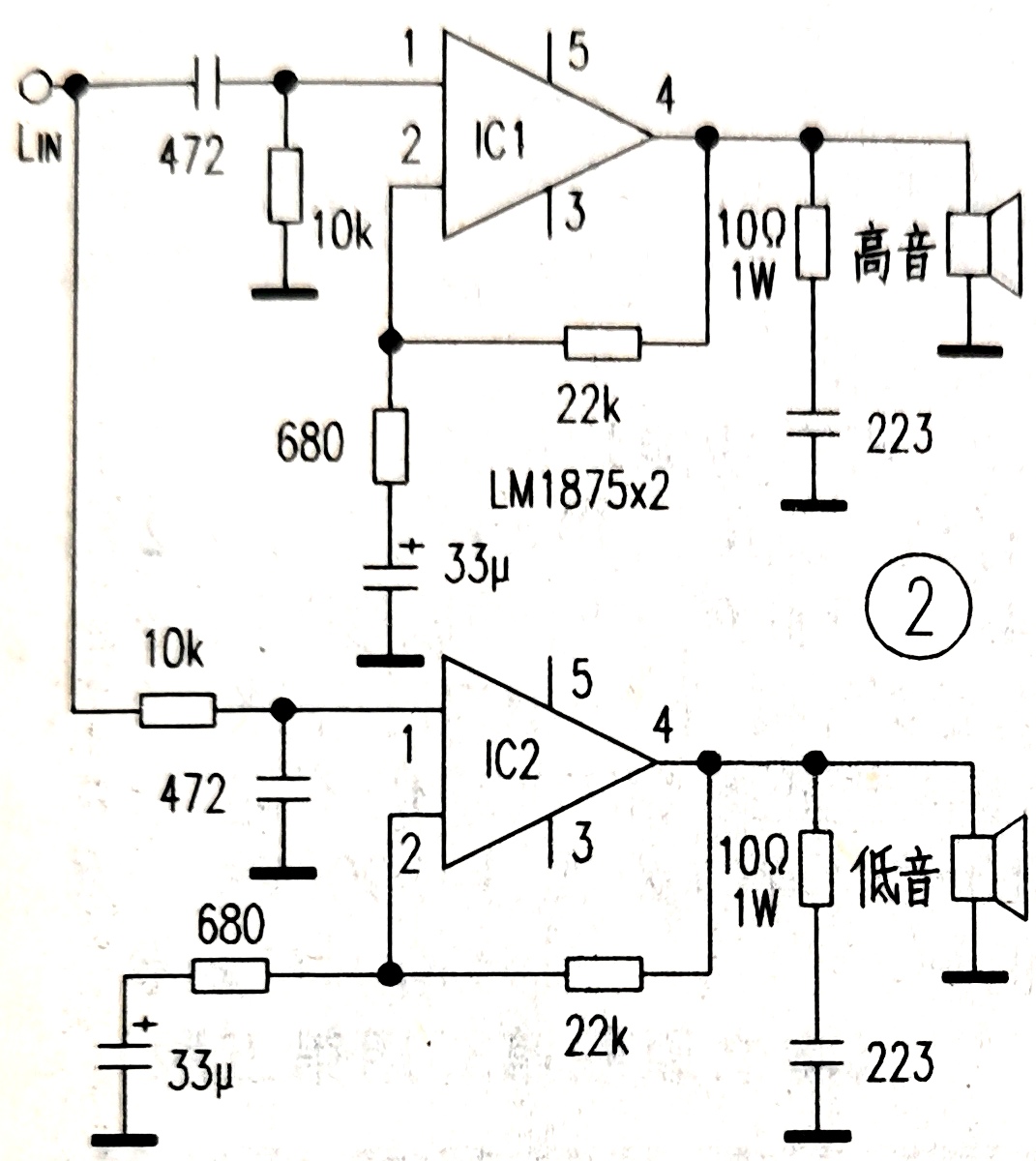
LM1875是一块单声道集成块,工作时 静态电流约70mA,处于甲乙类放大状态。

当Ec=±25V,负载为8时,输出功率可达 25W左右,谐菠失真为0.03%,增益为 26dB,输入灵敏度为630mV。

图2

高保真降噪前级和电子分频功放电路

是采用LM1875制作的一款电子

分频功放,由4700pF电容和10k欧电阻构 成分频网络,分频点约为3.2kHz。

IC1为高 音功放,IC2为低音功放,均为LM1875集 成块,输出端由10欧电阻和0.022uF电容 构成消振网络,防止电路自激。

为了加强集成块的 工作稳定性,可在其③、⑤脚 上并联一只50V4.7 uF的电 容。

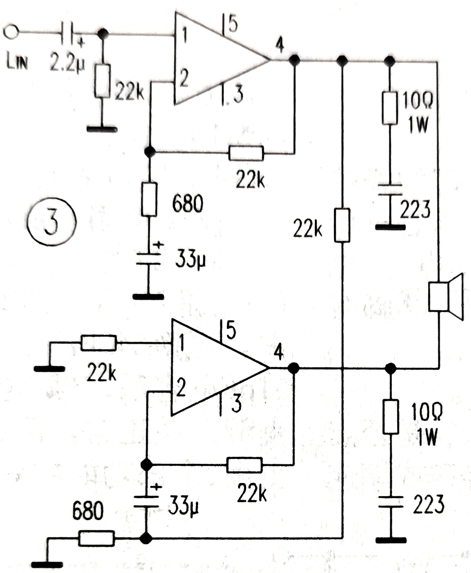
如果你现有的音箱较为高档,不忍心拆去LC 分频器,可采用LM1875制作成 BTL功放,这样输出功率可达70W,见图3。

高保真降噪前级和电子分频功放电路

双声道电子分频功放共需4只LM1875,为了应方便,和整流滤波电源制作在同一块印板上。

制作注意事项:

LM1875工作时要加上面积足够 大的散热器,以长时间使用不过热为准。由于LM1875 的③脚接负电源,同本身所带散热片相通,与外接散热 器固定时,应涂一层白色的导热硅脂,散热器不要接 地。LM1875正常工作时,一定要注意工作电压不要超 过土30V,推荐正负25V供电。

除其③、⑤脚电压为+25V 外,其余各脚电压均为OV,如果静态工作时有噪声干 扰,可在③和⑤脚.之间并联50V4.7μF电解电容,图2 即是一台完整的纯后级功放,可配用不同信号源。

功放的调试:

一般情况下,如果所用元件均为正 品,通电即可正常工作,为了稳妥,先 不接入扬声器,测量变压器次级电压为交流18V,测量 整流滤波后的电压为+25V左右,测量LM1875的输出 ④脚电压应不大于0.1V,否则请仔细检查 33μF 负反 馈电容或耦合电容是否漏电。最后接入信号源试听。

元件除注明外,电阻均选1/4W五色环精密金属 膜电阻。耦合电容选用钽电容,小容量均选超小型金属 化CBB电容。

点赞加关注谢谢您的支持!

  • 发表于 2022-06-30 12:23:11
  • 阅读 ( 322 )
  • 分类:科技

0 条评论

请先 登录 后评论
学习教程
学习教程

537 篇文章

你可能感兴趣的文章

相关问题